COMPOSITE STEEL DECKING MEZZANINE FLOOR | PORTAL FRAME

Category:Composite Steel Decking Mezzanine Floors
(0)
28.50 USD

(0 times Download )

Add To Cart

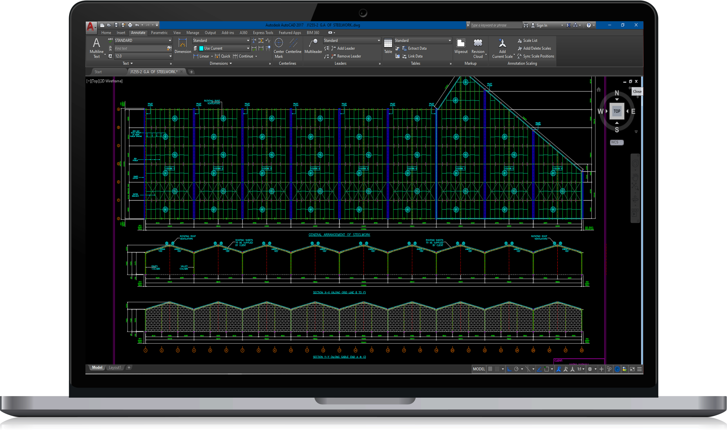
COMPOSITE STEEL DECKING MEZZANINE FLOOR | PORTAL FRAME

This is AutoCAD or DWG Steel building. A multi- span portal frame professionally detailed drawing, with mezzanine floor, access steel staircases and lift cages provisions on each composite steel decked mezzanine floors. Building floor plan dimensions: 40m x 54m floor plan and 12.5m Eaves Height Two Mezzanine floor height dimensions: 6m, 3.5m and 3m respectively. The drawing file includes the full sets of drawings e.g general arrangement, assembly and single part drawings ready for fabrication. It is an economic design and Ideal for midsize factory building structure.All  drawings in DWG format/AutoCAD Format.